An introduction to EV charger design: the power stages
An EV charger is an example of electronic equipment that incorporates just about all aspects of design, from cutting-edge analog and digital power conversion techniques through advanced control, human-machine interfaces and secure wireless communication to mobile devices and the cloud. All these functions sit in a box often exposed to extremes of weather and connected directly to the low voltage supply network, with its spikes, surges and drop-outs.
It’s a tough environment, and while processors and the like can be pretty well cocooned, the parts that could suffer most are the humble connectors, passive components and electromechanical items such as relays and contactors. Most exposed is the power cable and connector to the vehicle and standard IEC 62196-3 defines the protection requirements. The Combined Charging System (CCS) is now widely adopted as a standard for connectors: Type 1 and Type 2 for AC charging and ‘Combo’ connectors allowing AC or DC from alternative pins. Compliant connectors are readily available, typically rated ‘IP44’ for protection against water splashed from any direction and ‘foreign bodies’ bigger than 1mm. The protection applies when the connector is mated and a ‘proximity’ pin prevents current flow until the connector is fully engaged and effectively sealed. Other connector standards that might be seen are CHAdeMO and GB/T for the Japanese and Chinese markets respectively.
EV chargers can see a ‘dirty’ supply
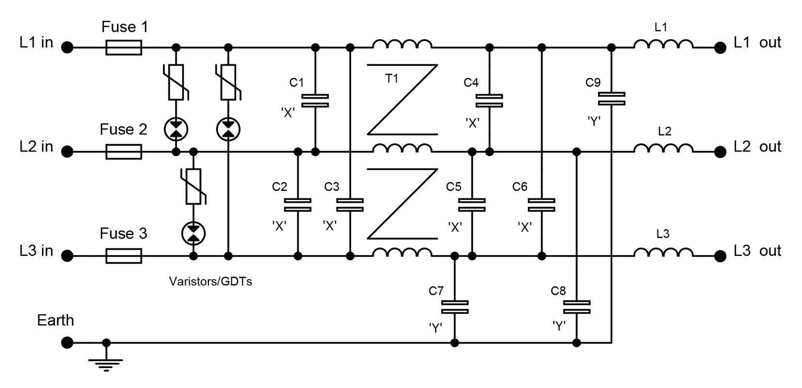
At the other end of the system, an AC wall box charger might connect to a relatively ‘clean’ domestic supply but many roadside AC and DC charger installations are subject to the higher transient levels present on the utility distribution network. This will normally require ‘Over-Voltage Category IV’ protection, requiring combinations of suppression components, including varistors, LC filters and gas discharge tubes. A recent innovation has been to incorporate a varistor and GDT in series in one package. This is a neat solution to the problem that varistors always have some leakage and if directly across the AC input, they slowly degrade. With the GDT in series, no current flow is guaranteed until the combined breakover voltage is reached. The LC filter provides further protection and has the additional function of suppressing conducted emissions from the charger power stages. For an optimal solution, the filter is often custom-designed for the product to meet emissions limits with adequate margin, while minimizing size and cost.
Within the body of the charger, some level of humidity, vibration, dust ingress and temperature variation can be expected, so interconnects will normally be high-grade, components will be suitably specified for the environment and boards will typically be coated. There may well be a high internal temperature rise due to self-heating and ambient sunlight, so at least industrial-grade parts are typically seen with temperature ratings of 105°C or higher to maintain reliability and long life. These are critical parameters as by their nature, charging stations are widely spread and maintenance is costly, financially and reputationally if there is significant downtime.
Identifying parts with limited lifetime
Parts that traditionally have a finite lifetime are large capacitors and anything electromechanical. In an DC EV charger, there will always be a need for a ‘DC link’, a high voltage bus with attached capacitors that often have to be electrolytic types for their high volumetric efficiency. These can have very limited life when run at the extremes of their specifications, so should be substantially derated for voltage and ripple current. Press-fit or screw types are still often seen as they are easier to routinely change out.
Anything with moving parts is another candidate for early failure. Fans may be ruled out for this reason but there is a need for mechanical isolation in AC and DC EV chargers which is achieved with relays or sometimes contactors. The current levels can be very high, measured in hundreds of amps in the higher-power DC chargers and arcing is a pervasive problem. However, Isolators have been developed for the application meeting the appropriate standard, IEC 61810-1, with 50,000 cycles minimum achievable. The parts generally will have an active method of extinguishing the arc, perhaps by a magnetic field bias. At the same time, the isolator has to achieve safety creepage and clearance distances and maintain low contact resistance over its lifetime.
Accurate current sensing is key
Another particular requirement of chargers is to accurately measure energy supplied, from current and voltage measurements. Any error and tolerance must be identified and the benefit of the doubt given to the EV user, so accuracy is vital to minimize cost to the charger operator. Current transformers can be used for AC with good and repeatable accuracy, but measuring DC current at high levels is more difficult. Resistive sensing is lossy unless the value is extremely low, but there are dedicated ICs available to sense and level-convert the low voltages produced. Alternatively, Hall effect or Fluxgate sensors can be used with near zero in-line losses, but at higher cost and with concerns about drift and offset, requiring regular calibration. In AC chargers, ground fault current interruption is a requirement but this is readily achieved with transformer current sensing, and dedicated ICs are available that monitor the value measured and periodically test the circuit functionality.
Diving deeper
There are a lot of options to consider when it comes to the power stages of EV charging stations. Here we’ve only scratched the surface. However, if you’re looking for detailed design advice and component recommendations on the individual stages, download the first volume of the EV Charging Infrastructure Designbook. In it we’ll cover:
- Charger types
- AC and DC station architecture
- Power stage functions
- Technologies and conversion topologies
Alternatively, if you’re ready to take the next step with your design, reach out to our EV charging experts to discuss your requirements in detail.
Engineering Services
Ask an expert
Have a question? Our regional technical specialists are on hand to help


EV Charging: The Power of Three
Discover how to shorten your time-to-market with end-to-end EV charging infrastructure solutions from EBV, Avnet Abacus and Avnet Embedded.