6 Unique Op Amp Circuits
Electronics circuits evolved from discrete circuits to highly integrated circuits (IC) on a single chip enabling highly advanced analog and digital systems saving space and cost. An operational amplifier (Op Amp) is one such integrated circuit that has played a stellar role in analog designs. An operational amplifier of today is not just an Op Amp but integrates multiple functions to make analog design easier. They are not, however, a solution to all problems. Both op amps and Discretes have their advantages and disadvantages.
Discrete Circuits
The amplifier is the building block of most analog circuits that escalate the voltage, power, or current of any signal. The transistor is a vital component of discrete circuits. A combination of several transistors, along with active and passive components like resistors and capacitors, are used to craft analog logic functions. Such analog logic functions are utilized to extract desired outputs consisting of mathematical functions. These are derived for designed applications like audio amplifiers, Logic circuits, Comparator, Operational amplifiers, and Switches from inputs. The circuits manage high power input and offer high power output; the Circuit parameter is achieved by changing the components and their values. It helps that they are stable during temperature fluctuations.
It takes more time and a bigger space to assemble and wire all individual discrete components. Substituting a failed part can be complicated in an existing circuit. As the soldering process is used to connect the elements, the discrete resistors suffer from less reliability, reduced gain accuracy, common-mode rejection (CMR), offset drift, and gain drift. Other than these factors, the resistors are also hampered by a high-temperature coefficient and low accuracy. All these contribute to significant circuit errors. To overcome such problems associated with discrete circuits, Op Amps were developed to overcome space, reliability, and accuracy
Operational Amplifiers (an integrated circuit)
The operational amplifier is simply a DC-coupled integrated circuit operating as a voltage amplifier. The differential output of the Op Amp gives two opposite polarity inputs and a high gain single output. A typical amplifier function built using multiple transistors and passive components is now replaced by a single IC described by terminal characteristics and few connected external components. An Op Amp finds extensive use depending on the connection of individual pins. The resultant circuit can be a Comparator, Difference Amplifier, Peak Detector, Inverting Amplifier, A Non-Inverting Amplifier, and Analog to digital converter.
An integrated circuit Op Amp is smaller in size. This is made possible since a single chip has multiple complex circuits fabricated on it, thus simplifying the design. Performance gets a boost. Fewer connections deliver superior reliability. The IC’s consume power in minuscule amounts, and the absence of a capacitance effect increases the operating speed.
Op Amps are not the answer to all application problems. The constraints of heat dissipation and size make it impossible for any IC Op Amp to include superior quality audio transistor for Class-A audio amplifiers. The proximity of components integrated into the Op Amp hampers audio signals, where a delicate signal will be subsumed by EMI noise. Of course, high-end Audio Amplifier has less space or cost constraints, and hence a class-A output stage fitted with linear power supply and a custom transformer delivers scintillating audio performance.
When an Op Amp characteristics class is taken into account, it was found that class-D power amplifiers dominate this niche. In addition to audio quality, design considerations take into account power efficiency, budget, and even size. The class-D amplifiers were manufactured for lower power hand-held audio applications.
Op Amps play diverse roles in optimizing circuitry performance. An ideal Op Amp, if it even exists, would possess infinite gain, zero output impedance, and infinite input impedance. It must enjoy an infinite frequency response and not introduce any noise and must be distortion-free. No Op Amp can satisfy such exacting requirements.
A variety of op-amps are commercially available. Specialist Op Amps are desired over general products if better performance is required. It is essential to choose the correct one to satisfy an application’s diverse needs.
The following application examples show how the IC Op Amps overcome the myriad disadvantages of discrete circuits through correct use:-
- DC Error characteristics of an Op Amp and its effect on high –precision applications
Input bias and input offset currents are two critical characteristics in many precision amplifier applications. Both influence output via capacitive and resistive feedback. The Common Mode Rejection Ratio (CMRR) in any typical Op Amps reduces precision by introducing an input offset voltage. High CMRR is a must during minute input signal instances (like when the signal is in the mV range).
The Power-Supply Rejection Ratio (PSRR) plays a pivotal role when it comes to initiating any additional input offset voltage as a reaction to power-supply voltage variations. The op amp’s input impedance forms a veritable voltage divider with the amplifier being driven by source impedance and the introduction of gain error. The designers, to cope with such situations, must choose an Op Amp having high CMRR, PSRR, and low speed-to-power ratio. The other requisites are low input bias current and low input offset voltage.
The IC Op Amp MAX 44260 has a high-impedance CMOS input stage with a specialized ESD structure enabling low-input bias currents at low input common-mode voltages. It is ideal for demanding applications like 12 to 14 bit SAR ADC drivers where rail-to-rail inputs or outputs and reduced decibel noise are mandatory. Further power savings are attained by a fast-power-on shutdown mode. It appreciably reduces quiescent current when the device remains non-operational. Another op amp MAX9620 IC has zero drift and low power along with low input offset voltage. Such devices use a novel auto zero method that sanction precision with minimum power. A low noise charge pump assists the Op Amp to realize rail-to-rail performance at the input.
The internal rail empowers the Op Amp to achieve true rail-to-rail outputs and inputs, reap linearity, and offer outstanding CMRR and PSRR. Yet another Op Amp MAX4238 yields precision and ultra-low offset or drift via utilization of auto-correlating zeroing methods. Such low offset, 1/f noise cancellation, and fast settling time, of Op Amp, makes such devices best for ADC buffers.
- Implementation of a Full - Wave rectifier with single supply Op Amps.
A Full wave rectifier ideally needs two Op Amps equipped with dual power supply as the latter needs to swing the bipolar - output voltages, which may go positive or negative as a response to input signals’ normal range.
The Op Amp MAX44267 IC has single-supply and dual Op Amp with true-zero output to implement the full-wave rectifier with a single supply rail. A negative supply is required as the dual Op Amp with integrated IC in one of the amplifiers can harvest a negative voltage of -0.5 times the input voltage. The external diode and capacitors reduce charge pump noise and low leakage signals. The amplifier operates from a single +4.5V to +15V power supply. This architecture erases the requirement for any negative power-supply rail, thus saving system size and cost.
- Implementing Linearization of Wheatstone – Bridge
Circuits assembled from inexpensive, resistance variable, and accurate discrete parts perform a bulk of the design’s front-end tasks. Designers working with high-precision systems follow the convention of taking into account the RTD element’s inherent nonlinearity and also the Wheatstone Bridge. The front end must be laboriously calibrated while simultaneously linearizing the front-end located at the side of the microcontroller. In some instances, a 0.6% linear is inacceptable.
The Op Amp not only resolves the bridge’s inherent nonlinearity, but it also oversees the temperature sensor element, RTD’s nonlinearity, and use of dual Op-amp circuitry to forge the linearized bridge output. The circuit, however, needs positive and negative supplies to amplifiers, giving twice the swing range. An added advantage is common-mode rejection performance, as the second amplifier operates comfortably around 0V.

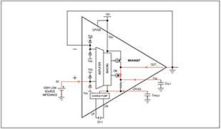
Fig 1: The internal structure of an IC MAX 44267
This scenario envisages the MAX44267 amplifier operating from a single power supply and thus can output bipolar voltages. Unlike other single-supply amplifiers which need headroom above the ground, the Op Amp offers true-zero output, making it perfect for bridge sensors. The IC MAX44267 Op Amp, as shown in figure 1, is integrated with charge-pump circuitry, dual op-amps, and biasing circuitry. An added advantage is the reduction of board layout space and cost.
- A high-voltage and high-precision current-sense amplifier for base station system.
These amplifiers, depending on contemporary technology, may be biased to a maximum of 50V or 60V. In such applications, dual Op Amps are a must to sense current. The first Op Amp decreases the voltage, and the second Op Amp sets the gain. Minimizing gain error requires the usage of high-voltage p-channel FET when sourcing current by an external resistor.
The integrated MAX4428 IC with dual-channel high-side current-sense amplifier and high voltage p-channel FET includes features that minimize gain error and also an input common-mode voltage ranging from 2.7V to 76V with a small signal bandwidth of 80kHz. This is ideal for interfacing with SAR ADC for multichannel multiplexed data acquisition systems. Monitoring high-side current does not influence the ground path of the particular load being measured, thus making the Op Amp useful in a wide range of high voltage systems.
- Circuit protection of ADC inputs from overvoltages.
The ADC inputs suffer when the driving amplifier rails are considerably higher than the ADC max input range. The most common is to use Schottky diodes to clamp the output of the amplifier. Such diodes disclose capacitance, the leakage current restricts bandwidth and contributes to distortion.
Fig 2: The internal functional diagram of IC MAX 4428An effective method for retaining capacitance and constant leakage current is to keep the voltage at 0V across the protection diodes. This is done by using the tried and tested differential Op Amp driver protection technique resulting in a 0V bias over protection diodes during normal amplifier operation. In the event of overvoltage, diodes conduct the fault current to the ground. Such a discrete protection technique, however, requires a bigger space, and the monitoring and action of leakage current. The amplifier must also have a dual power supply.
Overvoltage issues can be eliminated by using amplifier single-supply rail. The Op Amp MAX 4505 Signal-Protector IC, in combination with MOSFET switches, imparts overvoltage-detection circuitry. An IC Op Amp consists of a single signal-line protector having fault-protected input and Rail-to-Rail signal managing capability. In the event of a fault, the input terminal transforms into an open circuit, and the source leaks current in Nano amperes. The Op Amp shields both the unipolar and the bipolar analog signals.
- Analog circuits in wearable devices like health monitoring and smartwatches.
Designing such unique devices brings forward different challenges, including the one which asserts that the device must be tiny to be worn on the wrist, with efficient state-of-charge (SOC) monitoring, and of battery health not affecting their SOC. The instrument must have low power consumption and large memory, reduced power supply noise, and an analog signal.
If any event occurs, these circuits warn the microcontroller the low-power circuits must continuously monitor the system’s vital functions. A lower than required output voltage means the battery is discharged and needs charging. A comparator Op Amp can be used to monitor battery voltage.
Different rechargeable batteries have non-identical chemical composition. Such differences dictate battery cells’ thermal stability, lifespan, and specific battery cells’ power. The solution mandates tiny components and ICs. The MAX6778 can be used for being the smallest. It helps that the precise battery monitors max a portable equipment’s useful life. The 1% accuracy permits the battery to drain further than usual, pushing back the replacement.
The Hysteresis eliminates output chatter occasionally linked with battery voltage monitors, generally as a result of input-voltage noise. The MAX4257 IC has low-noise, low-distortion operational amplifiers providing rail-to-rail outputs and single-supply operation. The Op Amp distortion is extremely low, in tandem with input voltage-noise density and input current-noise density low as well.